品牌展示
- YUKEN油研液壓
- REXROTH液壓泵
- VICKERS液壓油泵
- DAIKIN液壓油泵
- PARKER液壓油泵
- NACHI液壓油泵
- DENISON液壓油泵
- Marzocchi齒輪泵
- Sumitomo齒輪泵
- Danfoss液壓泵
- Berarma葉片泵
- YEOSHE液壓泵
- 東京計器液壓泵
- SALAMI齒輪油泵
- VIVOIL齒輪油泵
- CASAPPA齒輪泵
- Caproni齒輪油泵
- Bucher齒輪泵
- HESPER齒輪泵
- HYDAC齒輪泵
- Roquet齒輪泵
- Bondioli齒輪泵
- Jihostroj齒輪泵
- Duplomatic迪普馬
- METARIS齒輪泵
- ATOS齒輪油泵
- KRACHT齒輪泵
- Brevini齒輪油泵
- RONZIO齒輪泵
- 沃爾沃齒輪泵
- Commercial液壓泵
- LINDE液壓油泵
- HAWE液壓油泵
- Kawasaki液壓泵
- 赫格隆液壓馬達
- 力士樂減速機
- 其他品牌
- 維修服務
最新動態
- 01CAPRONI齒輪泵00/10/20/30系列規格、參數
- 02油研A系列變量柱塞泵的自壓式雙壓雙流量控制型的使用要點有哪些?
- 03YUKEN油研A系列變量柱塞泵:自壓式雙壓雙流量控制型
- 04YUKEN油研A系列變量柱塞泵:電-液比例壓力和流量控制型
- 05YUKEN油研變量柱塞泵A37和A56系列哪個更耐用?
- 06YUKEN油研A系列變量柱塞泵A37-F-R-01-C-S-K-32,A56-F-R-01-B-S-K-32
- 07油研A系列變量柱塞泵A16-F-R-04-C-S-K-32詳細解析
- 08YUKEN油研A系列變量柱塞泵:電-液比例負載敏感控制型
- 09YUKEN油研A系列變量柱塞泵有哪些常見故障?

手機:13686884195
電話:0755-29874345
QQ:2737435508
2737435508@qq.com

CHP1 系列齒輪泵
品牌類型:
發布時間:
HESPER齒輪泵
2025-04-11 14:08:47
溫馨提示:由于產品型號太多,網站只能列出部分產品信息。如您在網站中未能找到您需要的型號,請咨詢我們的在線客服!
咨詢熱線:0755-29874345、0755-29874345
詳情介紹
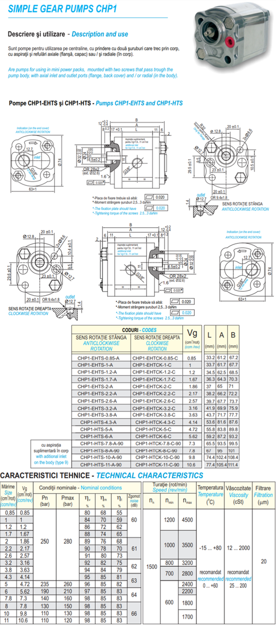
赫思博CHP1 泵:
Vg = 0,85 – 11 ccm/rev
Pres nom = 高達 250 bar
Pres max = 高達 280 bar
是專門用于微型電源組的泵,用兩個穿過泵體的螺釘安裝,具有軸向入口和出口(在法蘭、后蓋上)和/或徑向(在泵體上)。
HESPER赫思博CHP1 泵型號說明:
注:-Pn:公稱壓力
-在標稱條件下和在0油粘度為30…40 mm/s。
-禁止給泵的驅動軸加載負載在使用過程中為徑向或軸向。
-如果您要求的產品配置不在Hesper目錄中,請聯系我們
HESPER赫思博齒輪泵
Vg = 0,85 – 11 ccm/rev
Pres nom = 高達 250 bar
Pres max = 高達 280 bar
是專門用于微型電源組的泵,用兩個穿過泵體的螺釘安裝,具有軸向入口和出口(在法蘭、后蓋上)和/或徑向(在泵體上)。
HESPER赫思博CHP1 泵型號說明:

-在標稱條件下和在0油粘度為30…40 mm/s。
-禁止給泵的驅動軸加載負載在使用過程中為徑向或軸向。
-如果您要求的產品配置不在Hesper目錄中,請聯系我們
HESPER赫思博齒輪泵
![【港隆液壓】液壓元件[液壓油泵,電磁閥] 一站式服務平臺](upload/20210127173032768281.png)





