最新動態

手機:13686884195
電話:0755-29874345
QQ:2737435508
2737435508@qq.com
公司新聞
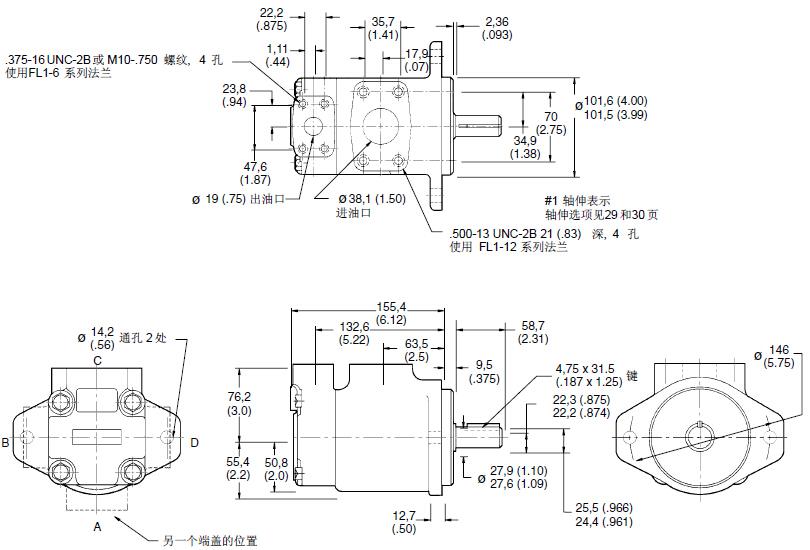
港隆介紹VICKERS威格士葉片泵20V系列安裝尺寸圖
發布時間:2014-09-29 00:00:00 最后更新:2024-10-16 14:44:20VICKERS威格士葉片泵20V系列安裝尺寸?深圳市港隆液壓設備有限公司液壓泵技術部給大家介紹VICKERS威格士葉片泵20V系列安裝尺寸圖:

威格士葉片泵V20系列:
在液壓傳動領域,威格士(VICKERS)作為國際知名品牌,以其卓越的性能和可靠的質量贏得了市場的廣泛認可。其中,V20系列葉片泵作為威格士產品線中的佼佼者,更是以其高效能、多用途的特點,在機床、工程機械、船舶、壓鑄及冶金設備等多個領域得到了廣泛應用。
V20系列葉片泵的技術特點
高效能設計
威格士V20系列葉片泵采用先進的設計理念和制造工藝,實現了高效能運轉。其葉片和定子的結構設計優化,減少了葉片對定子的壓力,提高了泵的穩定性和使用壽命。同時,該系列泵還具備高轉速能力,能夠在高負荷下持續穩定工作,滿足現代液壓系統的嚴苛要求。
流量均勻,運轉平穩
V20系列葉片泵在流量控制方面表現出色,能夠確保流量均勻輸出,減少系統波動和噪聲。這種均勻的流量輸出不僅提高了系統的穩定性,還延長了相關設備的使用壽命。此外,該系列泵還具備雙作用葉片泵的特點,即轉子每轉一周完成吸、排油各二次,使得流量均勻性更好,轉子體所受的徑向液壓力基本平衡。
多用途,靈活配置
威格士V20系列葉片泵提供多種型號和配置選項,以滿足不同應用場景的需求。無論是單泵還是雙泵,甚至是三聯泵配置,V20系列都能提供靈活的選擇。此外,該系列泵還支持多種流量控制和壓力設置選項,可根據具體需求進行定制,實現最佳的系統性能和能效。
易于維護,降低成本
V20系列葉片泵采用插裝式泵芯結構,現場維修更加方便。這種設計不僅減少了維修時間和成本,還提高了設備的可靠性和可用性。同時,威格士提供的標準化、系列化的液壓元件也便于設計、制造和推廣應用,進一步降低了用戶的使用成本。
應用領域
威格士V20系列葉片泵憑借其卓越的性能和廣泛的應用范圍,在多個領域得到了廣泛應用。在機床領域,該系列泵為各種精密加工設備提供了穩定可靠的液壓動力支持;在工程機械領域,V20系列泵的高效能和流量均勻性確保了重型設備的穩定運行;在船舶領域,其可靠的液壓傳動系統為船舶的航行提供了有力保障;在壓鑄及冶金設備領域,V20系列泵的高壓力和高流量能力滿足了這些設備對液壓系統的嚴格要求。
總結
威格士V20系列葉片泵以其高效能、多用途和易維護的特點,在液壓傳動領域占據了重要地位。無論是從設計、制造還是應用方面來看,V20系列都展現出了卓越的性能和廣泛的應用前景。未來,隨著液壓技術的不斷發展和應用領域的不斷拓展,威格士V20系列葉片泵將繼續發揮其優勢作用,為更多領域提供更加優質的液壓解決方案。
![【港隆液壓】液壓元件[液壓油泵,電磁閥] 一站式服務平臺](upload/20210127173032768281.png)




